モノづくりの困ったを解決する総合サイト

Produced by

イマオコーポレーション

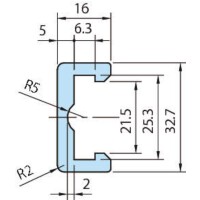
ガイドレール(PET容器用搬送ガイド)|PET容器用ガイドレール(A2型)

ペットボトルの搬送をスムーズに!

■搬送時の引っかかり削減。

■安定した搬送が可能。チョコ停対策。

■切断販売
・3m以内の切断販売は定寸価格+切断費となります。(切断した端材が500mm以上の場合は端材もお送りしておりますが、不要な場合及び500mm未満の端材が必要な場合はご連絡願います。)

■注意事項
・製品長さは1℃で1000mmあたり0.2mm伸縮します。(在庫品の為、定寸長さの変位量が大きい場合があります。)
・伸縮を考慮の上、長穴等の取付けをしてください。

#ガイドレール
#コンベヤガイド

共通仕様

レール 超高分子量ポリエチレン(LubX S) グレー

CADメーカーTOP

詳細仕様

  • 1件中 1-1件

  • 表示件数

1件の型式

型式 質量
(g/m)
定寸
(m)
適用鋼材
CRC325-PET 220 3 6t×25

型式 商品コード 単位 価格
(円)
基準納期
日伝 メーカー
CRC325-PET CRC325-PET P 7,300 - 在庫品

この製品を見た人はこのような製品も見ています

1952年設立で、動力伝導機器・産業機器・制御機器等の機械設備及び機械器具関連製品の販売をしている専門総合商社です。
日本国内で40以上の拠点を持ち、信頼性の高い製品と技術力で、全国のものづくりに携わる方々のあらゆるお困りごとを解決しています。

Loading...