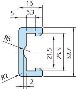
ペットボトルの搬送をスムーズに!
■搬送時の引っかかり削減。
■安定した搬送が可能。チョコ停対策。
■切断販売
・3m以内の切断販売は定寸価格+切断費となります。(切断した端材が500mm以上の場合は端材もお送りしておりますが、不要な場合及び500mm未満の端材が必要な場合はご連絡願います。)
■注意事項
・製品長さは1℃で1000mmあたり0.2mm伸縮します。(在庫品の為、定寸長さの変位量が大きい場合があります。)
・伸縮を考慮の上、長穴等の取付けをしてください。
共通仕様
| レール | 超高分子量ポリエチレン(LubX S) グレー |
|---|

