■PETに対する摩耗係数が低く、搬送ラインに最適です。
■切断販売
・2m以内の切断販売は定寸価格+切断賃となります。(切断した端材が500mm以上の場合は端材もお送りしておりますが、不要な場合及び500mm未満の端材が必要な場合はご連絡願います。)
■注意事項
・本製品は素材長さ2000±2より切削加工で製作しております。
・樹脂部長さは1℃で1000mm当たり0.2mm伸縮します。(在庫品の為、定寸長さの変位量が大きい場合があります。)
・伸縮を考慮の上、長穴等の取付けをしてください。
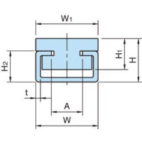
・レールとCチャンネルは、はめ込み構造です。必要に応じて抜け防止をしてください。
共通仕様
| レール | 超高分子量ポリエチレン(LubX S)グレー |
|---|---|
| Cチャンネル | FCSG:スチール(SGHC)亜鉛メッキ FCSG-SUS:SUS304 |

