TCC30-AP-PBF-T-B
-
TCC30-AP-PBF-T-B
-
TCC30-AP-PBF-T-S-G
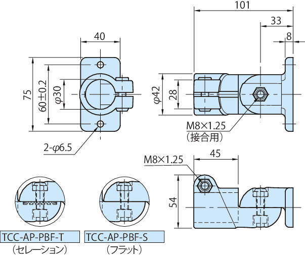
パイプ同士を強固に連結・組み立てができるジョイント部品「パイプジョイントクランプ」
・角度調整が可能。
・「TCC-AP」「TCC-PBF」を組み合わせたジョイントです。
・「TCC-AP-PBF-T」セレーション(歯数36)タイプのジョイント接合部は、10°ピッチでの角度調整が可能です。
・「TCC-AP-PBF-S」フラットタイプのジョイント接合部は任意の角度で位置決めできます。
・接合用ボルトを緩めた状態で、角度を調整してください。
・「TCC」「TCC-Q」TCCスリーブを挿入することで、小径パイプ及び角パイプへの変更が可能です。
・ボルトを「TCC-LV」「TCC-WN」TCCクランプキットに置き換えることで、六角レンチを使わずに固定できます。
共通仕様
| 本体 | ポリミアド(ガラス繊維強化) つや消しブラック、つや消しグレー |
|---|---|
| ボルト | SUS304 焼付防止処理 |
| セルフロックナット | SUS304 |
| 使用温度 | max.100℃ min.-20℃ |

