TCC-TP-PBF-B
-
TCC-TP-PBF-B
-
TCC-TP-PBF-G
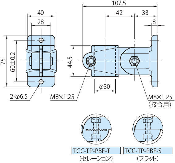
パイプ同士を強固に連結・組み立てができるジョイント部品「パイプジョイントクランプ」
・角度調整が可能。
・「TCC-TP」「TCC-PBF」を組み合わせたジョイントです。
・「TCC-TP-PBF-T」セレーション(歯数36)タイプのジョイント接合部は、10°ピッチでの角度調整が可能です。
・「TCC-AP-PBF-S」フラットタイプのジョイント接合部は、任意の角度で位置決めできます。
・接合用ボルトを緩めた状態で、角度を調整してください。
・「TCC」「TCC-Q」TCCスリーブを挿入することで、小径パイプ及び角パイプへの変更が可能です。
・ボルトを「TCC-LV」「TCC-WN」TCCクランプキットに置き換えることで、六角レンチを使わずに固定できます。
共通仕様
| 本体 | ポリミアド(ガラス繊維強化) つや消しブラック、つや消しグレー |
|---|---|
| ボルト | SUS304 焼付防止処理 |
| セルフロックナット | SUS304 |
| 使用温度 | max.100℃ min.-20℃ |

