TCC-PB-E-B
-
TCC-PB-E-B
-
TCC-PB-S-G
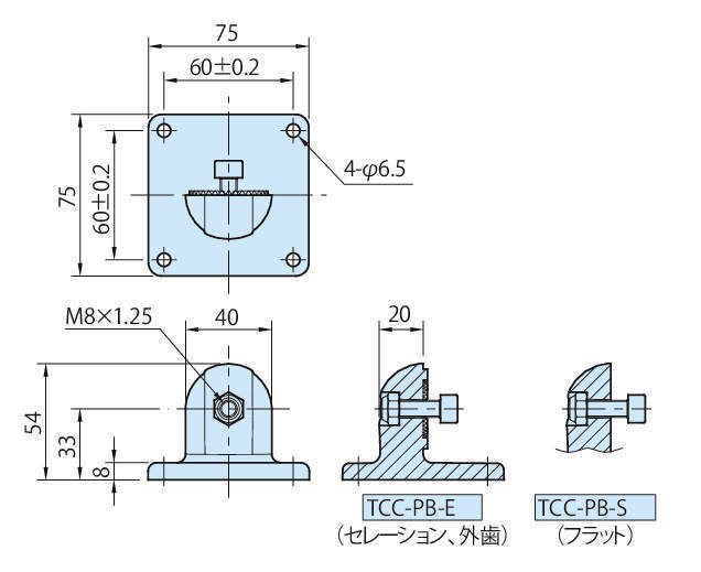
パイプ同士を強固に連結・組み立てができるジョイント部品「パイプジョイントクランプ」
・「TCC-AP」「TCC-TP」TCCヒンジジョイントと組み合わせてご使用ください。
・「TCC-PB-E」セレーション(歯数36)タイプは、10°ピッチでの角度調整が可能です。
・「TCC-PB-S」フラットタイプは、任意の角度で位置決めできます。
・ボルトを「TCC-LV」「TCC-WN」TCCクランプキットに置き換えることで、六角レンチを使わずに固定できます。
共通仕様
| 本体 | ポリミアド(ガラス繊維強化) つや消しブラック、つや消しグレー |
|---|---|
| ボルト | SUS304 焼付防止処理 |
| セルフロックナット | SUS304 |
| 使用温度 | max.100℃ min.-20℃ |

