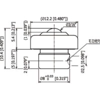
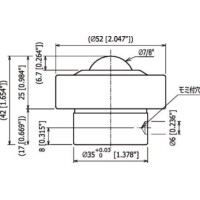
S-05
-
S-05
-
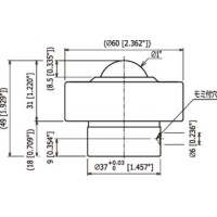
S-06
-
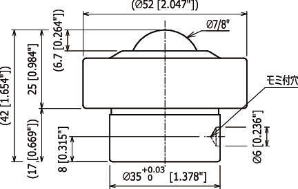
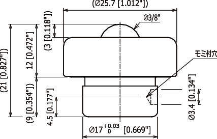
S-08
-
S-10
-
S-13
-
S-22
-
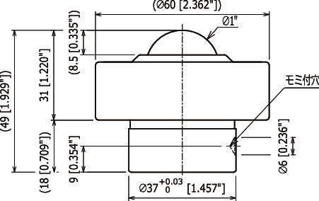
S-25
-
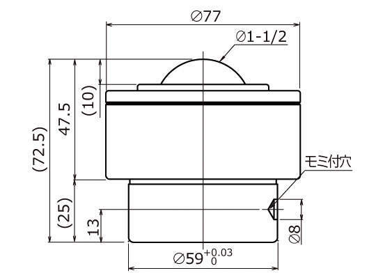
S-51
-
S-76
■イグチベアーとは
・イグチベアーとは、メインボール1個を多数のサブボールで受け、それらを支えるボール受け部から成り立つボールトランスファーです。
・このイグチベアーを使用することにより、搬送物を360°全方向に対してスムースに移動させることが可能になります。
【S型の特長】
■360度自由に動く必要性のない場合、あるいはある程度方向性を制御したい場合に適したタイプです。また摩擦係数が少なく、長いストローク運動が得られるのも大きな特長です。
■主に送り込み装置用、ピストン運動におけるストロークおよび運搬台車用として使用されています。

