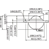
US-16
-
US-16
-
US-25
-
US-25J
■イグチベアーとは
・イグチベアーとは、メインボール1個を多数のサブボールで受け、それらを支えるボール受け部から成り立つボールトランスファーです。
・このイグチベアーを使用することにより、搬送物を360°全方向に対してスムースに移動させることが可能になります。
【US型・US-J型の特長】
■IM型と同様に量産プレス製品となり、低価格、短納期で御提供させていただいております。
■埋め込みタイプであるため、取り付け高さを低く抑える事が可能となります。
■主に軽量なワークを移動させるコンベアシステムに使用されています。

