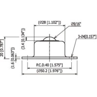
IS-10S
-
IS-10S
-
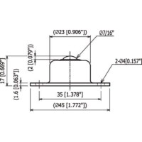
IS-13S
-
IS-19S
-
IS-25S
-
IS-38S
■イグチベアーとは
・イグチベアーとは、メインボール1個を多数のサブボールで受け、それらを支えるボール受け部から成り立つボールトランスファーです。
・このイグチベアーを使用することにより、搬送物を360°全方向に対してスムースに移動させることが可能になります。
【IS-S型の特長】
■切削加工品となり、重荷重にも十分に耐える強度を持っています。
■主に重量物の移動、方向転換装置、シャーリングプレス等の送り込み箇所、コンベアシステムの屈折、曲線、回転、分岐点用として使用されています。

