ISR-38
-
ISR-38
■エアボールリフタとは
・高精度加工されたボールトランスファーにエアシリンダを組み合わせ、搬送物をエア圧力でテーブル上面から持ち上げ、360°の水平方向に移動及び回転させることができる経済的でかつ使い易い省力化機器です。
・主に金型の段取り替え時に使用されています。
■どの位スムースなの?
・リフト能力に対し、最適なボールトランスファーを組み合わせており、高精度加工と相まって、始動抵抗値は最大荷重時においても 2/100 以下です。(搬送物底面=SS400 相当)
・例えば、200Kg の搬送物でもわずか4Kg の力で移動や回転させることができます。
■防塵性は?
・ボール部のカバーをナイロン製とし、スクレーパ機能を持たせていますのでスチール製カバータイプに比べて塵埃が多い環境でも初期性能を長く保持します。
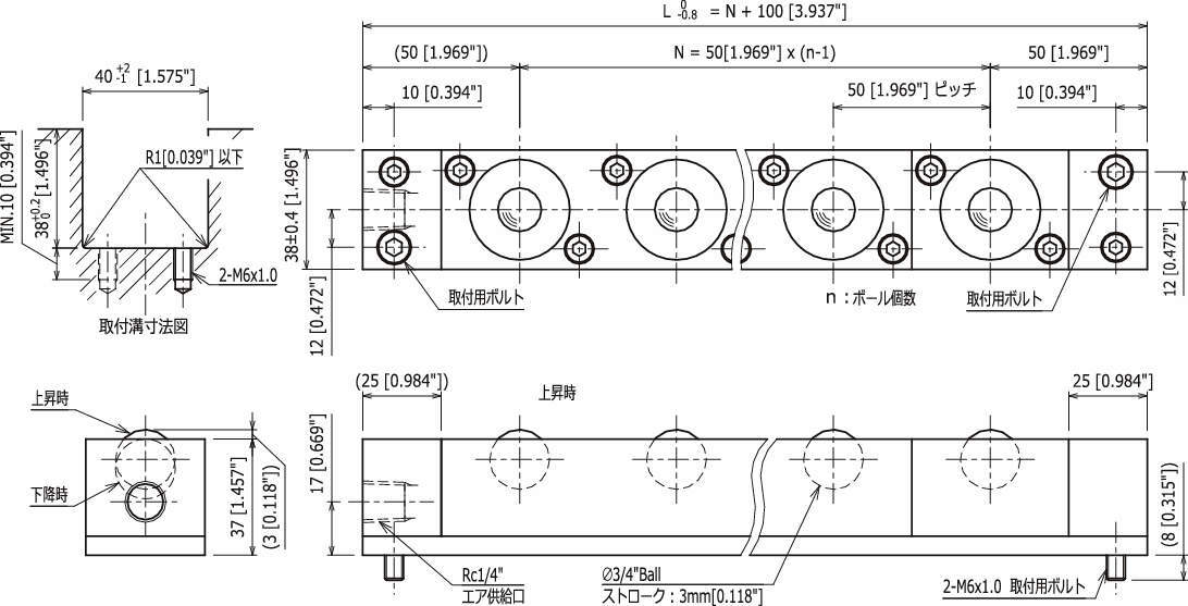
■50mm 単位で長さを選択できます
・各ボールトランスファーは独立したシリンダブロックで構成しており、これを連結していますので50mm ピッチで長さを選択することができます。
・オプションのコネクションブロックにより、ボールリフタ同士を連結でき、1m 以上の長尺仕様にも容易に対応できます。
( エアの給排気に要する時間に制限がなければ、何本でも連結できます。)
共通仕様
| メインボール | SUJ2 |
|---|---|
| カバー | ナイロン |
| ボディ | A6063-T5 |
| プラグ | A6063-T5 |
| バー | SGD400-D |

