モノづくりの困ったを解決する総合サイト

Produced by

井口機工製作所

エアボールリフタ|エアー昇降式イグチベアーユニット ISR-50D型(ダブルピストンタイプ)

ISR-50D

  • ISR-50D

■エアボールリフタとは
・高精度加工されたボールトランスファーにエアシリンダを組み合わせ、搬送物をエア圧力でテーブル上面から持ち上げ、360°の水平方向に移動及び回転させることができる経済的でかつ使い易い省力化機器です。
・主に金型の段取り替え時に使用されています。

■どの位スムースなの?
・リフト能力に対し、最適なボールトランスファーを組み合わせており、高精度加工と相まって、始動抵抗値は最大荷重時においても 2/100 以下です。(搬送物底面=SS400 相当)
・例えば、200Kg の搬送物でもわずか4Kg の力で移動や回転させることができます。

■防塵性は?
・ボール部のカバーをナイロン製とし、スクレーパ機能を持たせていますのでスチール製カバータイプに比べて塵埃が多い環境でも初期性能を長く保持します。

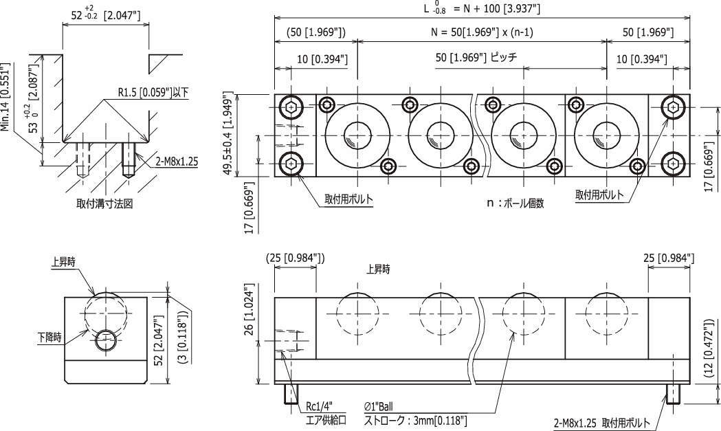
■50mm 単位で長さを選択できます
・各ボールトランスファーは独立したシリンダブロックで構成しており、これを連結していますので50mm ピッチで長さを選択することができます。
・オプションのコネクションブロックにより、ボールリフタ同士を連結でき、1m 以上の長尺仕様にも容易に対応できます。
( エアの給排気に要する時間に制限がなければ、何本でも連結できます。)

#ボールトランスファー

共通仕様

メインボール SUJ2
カバー ナイロン
ボディ A6063-T5
プラグ A6063-T5
バー A6063-T5

CADメーカーTOP

詳細仕様

  • 19件中 1-10件

  • 表示件数

19件の型式

型式 ボールリフタ全長 ボール
個数
n
自重 ボールリフタ1本あたりのリフト能力
L (mm) L (inch) (kg) (N) 供給エア圧力:0.4MPa (4.08kgf/cm2) 供給エア圧力:0.5MPa (5.10kgf/c2) 供給エア圧力:0.6MPa (6.12kgf/cm2)
(kgf) (kN) (kgf) (kN) (kgf) (kN)
ISR50D-100-A 100 3.94 1 0.8 7.8 100 0.98 127 1.24 154 1.51
ISR50D-150-A 150 5.91 2 1.2 11.7 200 1.96 254 2.49 308 3.02
ISR50D-200-A 200 7.87 3 1.6 15.6 300 2.94 381 3.73 462 4.53
ISR50D-250-A 250 9.84 4 2 19.5 400 3.92 508 4.98 616 6.04
ISR50D-300-A 300 11.81 5 2.4 23.4 500 4.9 635 6.22 770 7.55
ISR50D-350-A 350 13.78 6 2.8 27.3 600 5.88 762 7.47 924 9.06
ISR50D-400-A 400 15.75 7 3.2 31.2 700 6.86 889 8.71 1078 10.6
ISR50D-450-A 450 17.72 8 3.6 35.1 800 7.84 1016 9.96 1232 12.1
ISR50D-500-A 500 19.69 9 4 39 900 8.82 1143 11.2 1386 13.6
ISR50D-550-A 550 21.65 10 4.4 42.9 1000 9.8 1270 12.4 1540 15.1

型式 商品コード 単位 価格
(円)
基準納期
日伝 メーカー
ISR50D-100-A ISR50D-100-A P 41,800 - 在庫品
ISR50D-150-A ISR50D-150-A P 63,200 - 在庫品
ISR50D-200-A ISR50D-200-A P 82,600 - 在庫品
ISR50D-250-A ISR50D-250-A P 102,000 - 在庫品
ISR50D-300-A ISR50D-300-A P 123,400 - 在庫品
ISR50D-350-A ISR50D-350-A P 141,800 - 在庫品
ISR50D-400-A ISR50D-400-A P 163,200 - 在庫品
ISR50D-450-A ISR50D-450-A P 183,600 - 在庫品
ISR50D-500-A ISR50D-500-A P 203,000 - 在庫品
ISR50D-550-A ISR50D-550-A P 223,400 - 在庫品

この製品を見た人はこのような製品も見ています

1952年設立で、動力伝導機器・産業機器・制御機器等の機械設備及び機械器具関連製品の販売をしている専門総合商社です。
日本国内で40以上の拠点を持ち、信頼性の高い製品と技術力で、全国のものづくりに携わる方々のあらゆるお困りごとを解決しています。

Loading...