-
-
使用例
-
使用例
虹技
コールドエアガン
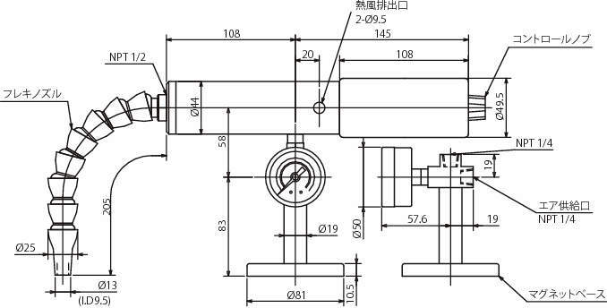
詳細仕様
2件の型式
| 型式 | タイプ | ブッシング・ゼネレータ |
空気消費量 (NL/min) 0.27MPa~0.69MPa |
冷却熱量 (W) 0.27MPa~0.69MPa |
冷風温度 (0.69MPa) |
アダプター (オプション) エア供給口側 |
|---|---|---|---|---|---|---|
| 610 | エアフィルタ付 | 11H/15H/25H | 145~308/197~420/328~700 | 91~194/124~264/206~440 | −12℃(供給温度21℃ 外気温度27℃) | AL-1/4 |
| 610J | エアフィルタなし | 11H/15H/25H | 145~308/197~420/328~700 | 91~194/124~264/206~440 | −12℃(供給温度21℃ 外気温度27℃) | AL-1/4 |
・冷却能力は、コントロールノブの調整、ゼネレータの入替により変更できます。ゼネレータ(15H)は本体に装着されており、11H、25Hは付属品です。 ・冷却能力及び冷風温度は冷風比率60%時の数値になります。 ・610:610J+エアフィルタ 701S-36-8A(5μm) ・圧縮空気供給口はNPT-1/4となります。変換アダプターAL-1/4をご利用ください。
| 型式 | 商品コード | 単位 |
価格 (円) |
基準納期 | |
|---|---|---|---|---|---|
| 日伝 | メーカー | ||||
| 610 | 610 | P | 191,800 | - | 在庫品 |
| 610J | 610J | P | 168,800 | 在庫品 | 在庫品 |
この製品を見た人はこのような製品も見ています
製品についてのご質問やお困りごとなどお気軽にご相談ください!
Loading...

