C-6DZ
-
C-6DZ
-
C-8DZ
-
C-12DZ
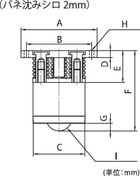
・切削加工品スプリングタイプ。
・下向きに使用に特化した、受け皿構造。
・スプリングによって搬送物の形状による偏荷重に対し均等に荷重を受ける事が可能。
・位置決めやキャスター代わりとしての使用可能。
フリーベアコーポレーション
C-6DZ
C-6DZ
C-8DZ
C-12DZ
・切削加工品スプリングタイプ。
・下向きに使用に特化した、受け皿構造。
・スプリングによって搬送物の形状による偏荷重に対し均等に荷重を受ける事が可能。
・位置決めやキャスター代わりとしての使用可能。
3件の型式
| 型式 | 許容荷重 | 取付強さ | 最大強さ | メインボール | 小ボール | 本体 | 自重 | A | B | C | D | E | F | G | H | I |
|---|---|---|---|---|---|---|---|---|---|---|---|---|---|---|---|---|
| C-6DZ | 50kg | 490N(50kgf) | 686N(70kgf) | スチール | スチール | スチール | 322g | φ60 | 47 | φ31 | 6 | 24 | 56.5 | 6 | 2-φ6.5 | 3/4"球(φ19.05) |
| C-8DZ | 80kg | 784N(80kgf) | 1029N(105kgf) | スチール | スチール | スチール | 672g | φ70 | 55 | φ42 | 6 | 33 | 78 | 7.5 | 2-φ6.5 | 1"球(φ25.40) |
| C-12DZ | 200kg | 1961N(200kgf) | 2548N(260kgf) | スチール | スチール | スチール | 3130g | φ110 | 94 | φ75 | 10 | 46 | 116 | 11 | 4-φ6.5 | 1 1/2"球(φ38.10) |
| 型式 | 商品コード | 単位 |
価格 (円) |
基準納期 | |
|---|---|---|---|---|---|
| 日伝 | メーカー | ||||
| C-6DZ | C-6DZ | P | 9,250 | - | 在庫品 |
| C-8DZ | C-8DZ | P | 14,500 | - | 在庫品 |
| C-12DZ | C-12DZ | P | 42,000 | - | 在庫品 |
製品についてのご質問やお困りごとなどお気軽にご相談ください!