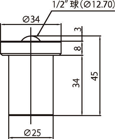
C-4HS-20
-
C-4HS-20
-
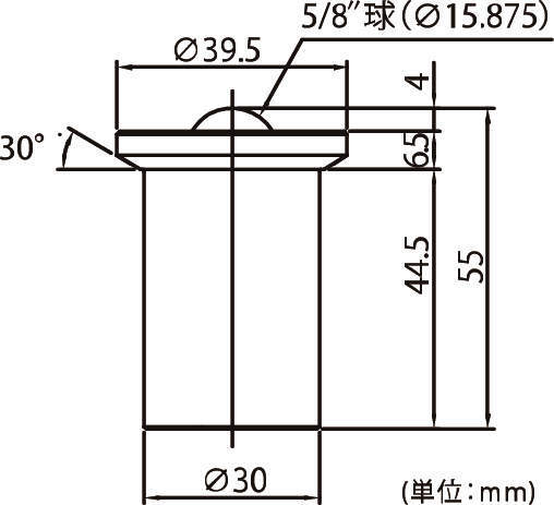
C-5HS-50
・プレスのクッションピン穴や機械のベッドに穴加工し埋め込んで使用。
・ワークの搬送・位置決め後、ワークをクランプする事によりボール部分を沈めてワークを固定する事が可能。
フリーベアコーポレーション
C-4HS-20
C-4HS-20
C-5HS-50
・プレスのクッションピン穴や機械のベッドに穴加工し埋め込んで使用。
・ワークの搬送・位置決め後、ワークをクランプする事によりボール部分を沈めてワークを固定する事が可能。
2件の型式
| 型式 |
自重 (g) |
荷重テストデーター(平均値)kN(kgf) | |||||
|---|---|---|---|---|---|---|---|
| 沈み量 | |||||||
| 0.5mm | 1.0mm | 1.5mm | 2.0mm | 3.0mm | 4.0mm | ||
| C-4HS-20 | 130 | 0.23(24) | 0.25(26) | 0.27(28) | 0.29(30) | - | - |
| C-5HS-50 | 220 | - | 0.56(57) | - | 0.62(63) | 0.68(69) | 0.74(75) |
| 型式 | 商品コード | 単位 |
価格 (円) |
基準納期 | |
|---|---|---|---|---|---|
| 日伝 | メーカー | ||||
| C-4HS-20 | C-4HS-20 | P | 9,500 | - | 在庫品 |
| C-5HS-50 | C-5HS-50 | P | 7,800 | - | 在庫品 |
製品についてのご質問やお困りごとなどお気軽にご相談ください!