SSG [Rシリーズ]
-
SSG [Rシリーズ]
■作業工程削減!サーボモータ用減速機ピニオン登場!
・フランジタイプの減速機に取り付けて即仕様できます。
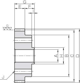
■減速機への取付穴を標準化
・減速機メーカーが販売するフランジタイプの各種減速機への取付穴を標準化しました。
・減速機フランジ部の基準穴(Rシリーズの取付ボス径)でご用命ください。
■生産効率と品質を追求
・最新の機械設備とJIT生産ラインにより生産効率と品質を追求。
・メーカーで行う追加工で信頼性の高い製品をご提供いたします。
■納期でお手元へ
・標準歯車の製品在庫からJIT生産ラインで素早く対応。
共通仕様
| 精度等級 | JIS N7級相当品 |
|---|---|
| 歯形 | 並歯 |
| 圧力角 | 20° |
| 材料 | S45C |
| 熱処理 | 歯面高周波焼入れ |
| 歯面硬度 | 50~60HRC |
| 表面処理 | 歯部・追加工部以外黒染 |

