モノづくりの困ったを解決する総合サイト

Produced by

小原歯車工業

マイタ|歯研スパイラルマイタ MMSGQ [Jシリーズ]

MMSGQ [Jシリーズ]

  • MMSGQ [Jシリーズ]

■歯研スパイラルマイタ MMSGQ
・歯面焼入研削した歯車で、0 級の高精度、強度、耐摩耗性、静粛性が優れており、歯部以外は追加工が可能です。

■Jシリーズ
・Jシリーズとは、標準歯車の下穴品をベースに穴径、キー溝、取付穴の寸法をKHK独自の規格でシリーズ化した製品です。
・最新の機械設備をジャスト・イン・タイム生産ラインにより生産効率と品質を追求。
・メーカーが行う追加工で信頼性の高い製品を提供します。

#マイタ
#スパイラルマイタ

共通仕様

精度等級 JIS 0級相当品 (JIS B 1704:1978)
歯形 グリーソン
圧力角 20°
ねじれ角 35°
材料 SCM415
熱処理 深炭焼入れ
歯面硬度 55~60HRC

CADメーカーTOP

詳細仕様

  • 148件中 1-10件

  • 表示件数

148件の型式

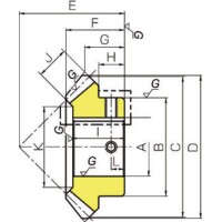
型式 歯数比 モジュール
m
歯数 ねじれ
方向
形状 穴径
AH7
(mm)
ボス径
B
(mm)
基準円直径
C
(mm)
歯先円直径
D
(mm)
組立距離
E
(mm)
全長
F
(mm)
歯先距離
G
(mm)
ボス長さ
H
(mm)
穴長さ
I
(mm)
歯幅
J
(mm)
おさえ面径
K
(mm)
キーみぞ
(mm)
幅×深さ
ねじ穴 許容トルク(N・m) 許容トルク(kgf・m) バックラッシ
(mm)
質量
(kg)
未加工時
サイズ L(mm) 曲げ強さ 歯面強さ 曲げ強さ 歯面強さ
MMSGQ2-20LJ12 1 2 20 L B3K 12 35 40 40 35 21 16.35 12.5 20 9 24.54 4×1.8 M4 6.25 17.0 23.5 1.73 2.40 0~0.05 0.14
MMSGQ2-20RJ12 1 2 20 R B3K 12 35 40 40 35 21 16.35 12.5 20 9 24.54 4×1.8 M4 6.25 17.0 23.5 1.73 2.40 0~0.05 0.14
MMSGQ2-20LJ14 1 2 20 L B3K 14 35 40 40 35 21 16.35 12.5 20 9 24.54 5×2.3 M4 6.25 17.0 23.5 1.73 2.40 0~0.05 0.14
MMSGQ2-20RJ14 1 2 20 R B3K 14 35 40 40 35 21 16.35 12.5 20 9 24.54 5×2.3 M4 6.25 17.0 23.5 1.73 2.40 0~0.05 0.14
MMSGQ2-20LJ15 1 2 20 L B3K 15 35 40 40 35 21 16.35 12.5 20 9 24.54 5×2.3 M4 6.25 17.0 23.5 1.73 2.40 0~0.05 0.14
MMSGQ2-20RJ15 1 2 20 R B3K 15 35 40 40 35 21 16.35 12.5 20 9 24.54 5×2.3 M4 6.25 17.0 23.5 1.73 2.40 0~0.05 0.14
MMSGQ2-20LJ16 1 2 20 L B3K 16 35 40 40 35 21 16.35 12.5 20 9 24.54 5×2.3 M4 6.25 17.0 23.5 1.73 2.40 0~0.05 0.14
MMSGQ2-20RJ16 1 2 20 R B3K 16 35 40 40 35 21 16.35 12.5 20 9 24.54 5×2.3 M4 6.25 17.0 23.5 1.73 2.40 0~0.05 0.14
MMSGQ2-20LJ17 1 2 20 L B3K 17 35 40 40 35 21 16.35 12.5 20 9 24.54 5×2.3 M4 6.25 17.0 23.5 1.73 2.40 0~0.05 0.14
MMSGQ2-20RJ17 1 2 20 R B3K 17 35 40 40 35 21 16.35 12.5 20 9 24.54 5×2.3 M4 6.25 17.0 23.5 1.73 2.40 0~0.05 0.14

型式 商品コード 単位 価格
(円)
基準納期
日伝 メーカー
MMSGQ2-20LJ12 MMSGQ2-20LJ12 P 24,130 - -
MMSGQ2-20RJ12 MMSGQ2-20RJ12 P 24,130 - -
MMSGQ2-20LJ14 MMSGQ2-20LJ14 P 28,760 - -
MMSGQ2-20RJ14 MMSGQ2-20RJ14 P 28,760 - -
MMSGQ2-20LJ15 MMSGQ2-20LJ15 P 28,760 - -
MMSGQ2-20RJ15 MMSGQ2-20RJ15 P 28,760 - -
MMSGQ2-20LJ16 MMSGQ2-20LJ16 P 28,760 - -
MMSGQ2-20RJ16 MMSGQ2-20RJ16 P 28,760 - -
MMSGQ2-20LJ17 MMSGQ2-20LJ17 P 28,760 - -
MMSGQ2-20RJ17 MMSGQ2-20RJ17 P 28,760 - -

この製品を見た人はこのような製品も見ています

1952年設立で、動力伝導機器・産業機器・制御機器等の機械設備及び機械器具関連製品の販売をしている専門総合商社です。
日本国内で40以上の拠点を持ち、信頼性の高い製品と技術力で、全国のものづくりに携わる方々のあらゆるお困りごとを解決しています。

Loading...