SM [Jシリーズ]
-
SM [Jシリーズ]
■マイタ SM
・ラインナップが多く、追加で歯面焼入可能です。
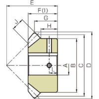
■Jシリーズ
・Jシリーズとは、標準歯車の下穴品をベースに穴径、キー溝、取付穴の寸法をKHK独自の規格でシリーズ化した製品です。
・最新の機械設備をジャスト・イン・タイム生産ラインにより生産効率と品質を追求。
・メーカーが行う追加工で信頼性の高い製品を提供します。
共通仕様
| 精度等級 | JIS 3級相当品 (JIS B 1704:1978) |
|---|---|
| 歯形 | グリーソン |
| 圧力角 | 20° |
| 材料 | S45C |
| 熱処理 | - |
| 歯面硬度 | (194HB以下) |
| 表面処理 | 黒染 |

