SUSL
-
SUSL
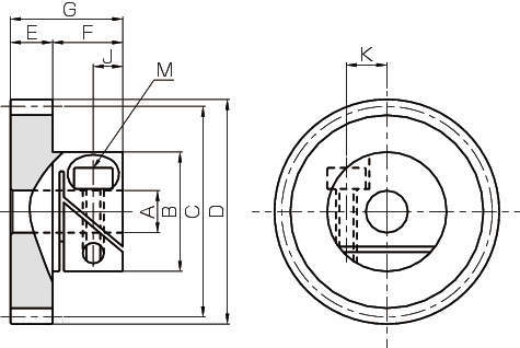
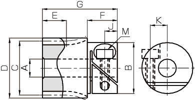
■Fロックギヤ SUSF
・ステンレス製のサビに強い歯車です。
・摩擦締結で簡単に取り付けが可能です。
共通仕様
| 精度等級 | モジュール0.5以下:JIS N8級相当 モジュール1以上:JIS N8級 (JIS B 1702-1:1998) ※締結前 |
|---|---|
| 歯形 | 並歯 |
| 圧力角 | 20° |
| 材料 | SUS303 |
| 熱処理 | - |
| 歯面硬度 | (187HB以下) |

