DSL
-
DSL
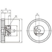
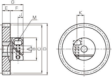
■Fロックギヤ DSF
・ポリアセタール製の歯車です。
・摩擦締結で簡単に取り付けが可能です。
共通仕様
| 精度等級 | モジュール0.5以下:JIS N10級相当 モジュール1以上:JIS N10級 (JIS B 1702-1:1998) ※締結前 |
|---|---|
| 歯形 | 並歯 |
| 圧力角 | 20° |
| 材料 | ポロアセタール(ボス部SUS303) |
| 熱処理 | - |
| 歯面硬度 | (110~120HRR) |

