NSU [Jシリーズ]
-
NSU [Jシリーズ]
-
NSU [Jシリーズ]
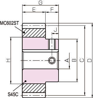
■融着平歯車 NSU
・強化ナイロン製の歯車に鋼のボスを融着固定しており、確実な締結が可能です。
■Jシリーズ
・Jシリーズとは、標準歯車の下穴品をベースに穴径、キー溝、取付穴の寸法をKHK独自の規格でシリーズ化した製品です。
・最新の機械設備をジャスト・イン・タイム生産ラインにより生産効率と品質を追求。
・メーカーが行う追加工で信頼性の高い製品を提供します。
共通仕様
| 精度等級 | JIS N9級相当品 |
|---|---|
| 歯形 | 並歯 |
| 圧力角 | 20° |
| 材料 | MC602ST(ボス部S45C) |
| 熱処理 | - |
| 歯面硬度 | (115~120HRR) |

