SRHEF-HL
-
SRHEF-HL
■レーザー焼入ヘリカルラック SRHEF-HL
・ヘリカルラックのため、SRF に比べて強度、静粛性が優れています。
・CP ラックのようにご利用いただけます。
共通仕様
| 精度等級 | KHK R 001 4級 |
|---|---|
| 歯車基準断面 | 歯直角 |
| 歯形 | 並歯 |
| 歯直角圧力角 | 20° |
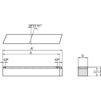
| ねじれ角・方向 | 19°31’41” 右ねじれ |
| 材料 | S45C |
| 熱処理 | 歯面レーザー焼入れ |
| 歯面硬度 | HRC55~65 |
| 表面処理 | 黒染 |

