■CBXベベルボックスは、軸の出る方向・回転関係により24通りの軸配置の製品を標準化しています。
■強靭
・ケースは高級鋳鉄を軸受部はテーパローラベアリング使用。
■低騒音・高効率
・特殊鋼を浸炭焼入れしたスパイラルベベルギヤを使用。
■取付方向自由
・軸配置の選択によりあらゆる据付けも可能。但し標準のままご使用できないばあいがります。
■潤滑剤封入済
・高級オイル封入出荷
■速比
・歯車 1/1、1/2 を用途に合せて選択可能。
小原歯車工業
ギヤボックス|べベルボックス CBX T型
詳細仕様
64件の型式
| 型式 | タイプ | 速比 | 軸配置 |
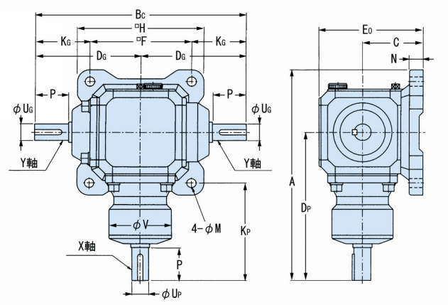
A (mm) |
BB (mm) |
C (mm) |
DP (mm) |
DG (mm) |
E (mm) |
EO (mm) |
F (mm) |
H (mm) |
J (mm) |
KP (mm) |
KG (mm) |
φM (mm) |
N (mm) |
P (mm) |
R (mm) |
φS (mm) |
φV (mm) |
X軸径 φUP (mm) |
Y軸径 φUG (mm) |
キー (mm) |
回転角度 バックラッシ |
質量 (kg) |
|---|---|---|---|---|---|---|---|---|---|---|---|---|---|---|---|---|---|---|---|---|---|---|---|---|---|---|
| CBX-191TA | T型 | 1:1 | A | 257 | 232 | 76 | 180 | 116 | - | 129 | 125 | 154 | - | 117.5 | 53.5 | 10.5 | 17 | 38 | - | - | 66 | 19 | 19 | 6×6×27L | 11'~30' | 10.0 |
| CBX-192TA | T型 | 1:2 | A | 257 | 232 | 76 | 180 | 116 | - | 129 | 125 | 154 | - | 117.5 | 53.5 | 10.5 | 17 | 38 | - | - | 66 | 18 | 19 | 6×6×27L | 17'~47' | 10.0 |
| CBX-251TA | T型 | 1:1 | A | 316 | 314 | 90 | 222 | 157 | - | 155 | 152 | 188 | - | 146 | 81 | 14 | 20 | 50 | - | - | 92 | 25 | 25 | 8×7×40L | 9~22' | 18.0 |
| CBX-252TA | T型 | 1:2 | A | 316 | 314 | 90 | 222 | 157 | - | 155 | 152 | 188 | - | 146 | 81 | 14 | 20 | 50 | - | - | 92 | 25 | 25 | 8×7×40L | 15~36' | 18.0 |
| CBX-321TA | T型 | 1:1 | A | 340 | 336 | 100 | 242 | 168 | - | 174 | 160 | 196 | - | 162 | 88 | 14 | 20 | 55 | - | - | 100 | 32 | 32 | 10×8×50L | 9'~21' | 23.0 |
| CBX-322TA | T型 | 1:2 | A | 340 | 336 | 100 | 242 | 168 | - | 174 | 160 | 196 | - | 162 | 88 | 14 | 20 | 55 | - | - | 100 | 32 | 32 | 10×8×50L | 15'~36' | 23.0 |
| CBX-401TA | T型 | 1:1 | A | 425 | 416 | 115 | 308 | 208 | - | 200 | 195 | 234 | - | 210.5 | 110.5 | 14 | 22 | 75 | - | - | 124 | 40 | 40 | 12×8×60L | 8'~20' | 34.0 |
| CBX-402TA | T型 | 1:2 | A | 425 | 416 | 115 | 308 | 208 | - | 200 | 195 | 234 | - | 210.5 | 110.5 | 14 | 22 | 75 | - | - | 124 | 40 | 40 | 12×8×60L | 15'~370' | 34.0 |
| CBX-191TB | T型 | 1:1 | B | 257 | 232 | 76 | 180 | 116 | - | 129 | 125 | 154 | - | 117.5 | 53.5 | 10.5 | 17 | 38 | - | - | 66 | 19 | 19 | 6×6×27L | 11'~30' | 10.0 |
| CBX-192TB | T型 | 1:2 | B | 257 | 232 | 76 | 180 | 116 | - | 129 | 125 | 154 | - | 117.5 | 53.5 | 10.5 | 17 | 38 | - | - | 66 | 18 | 19 | 6×6×27L | 17'~47' | 10.0 |
| 型式 | 商品コード | 単位 |
価格 (円) |
基準納期 | |
|---|---|---|---|---|---|
| 日伝 | メーカー | ||||
| CBX-191TA | CBX-191TA | P | 73,000 | - | 10日間 |
| CBX-192TA | CBX-192TA | P | 75,700 | - | 10日間 |
| CBX-251TA | CBX-251TA | P | 100,200 | - | 10日間 |
| CBX-252TA | CBX-252TA | P | 103,100 | - | 10日間 |
| CBX-321TA | CBX-321TA | P | 137,500 | - | 10日間 |
| CBX-322TA | CBX-322TA | P | 140,500 | - | 10日間 |
| CBX-401TA | CBX-401TA | P | 168,300 | - | 10日間 |
| CBX-402TA | CBX-402TA | P | 173,200 | - | 10日間 |
| CBX-191TB | CBX-191TB | P | 73,000 | - | 10日間 |
| CBX-192TB | CBX-192TB | P | 75,700 | - | 10日間 |
この製品を見た人はこのような製品も見ています
製品についてのご質問やお困りごとなどお気軽にご相談ください!
Loading...

