SRAFD-HL・SRAFK-HL
-
SRAFD-HL・SRAFK-HL
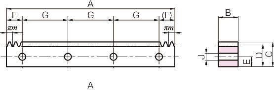
■レーザー焼入スクエアラック SRAFD-HL・SRAFK-HL
・歯面レーザー焼入れしたラックで、耐摩耗性とコストのバランスが良い製品です。
・従来の SRF-HL ラックに比べ、高さを低くした省スペース・低コストな製品です。
■Jシリーズ
・Jシリーズとは、標準歯車のベースに、取付穴の寸法をKHK独自の規格でシリーズ化した製品です。
・最新の機械設備をジャスト・イン・タイム生産ラインにより生産効率と品質を追求。
・メーカーが行う追加工で信頼性の高い製品を提供します。
共通仕様
| 精度等級 | KHK R 001 4級相当j品 |
|---|---|
| 歯形 | 並歯 |
| 圧力角 | 20° |
| 材料 | S45C |
| 熱処理 | 歯面レーザー焼入 |
| 歯面硬度 | 55~65HRC |
| 表面処理 | 黒染 |

