-
-
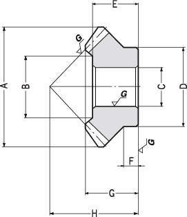
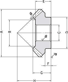
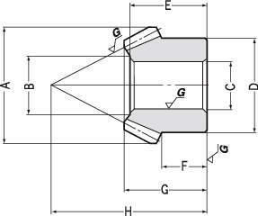
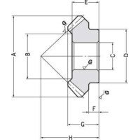
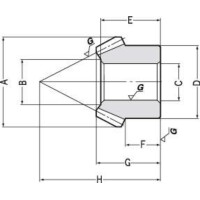
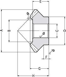
2D
・JIS 0級の強度、高精度製品です。
・高速回転時の騒音や振動について優れた性能を発揮します。
共通仕様
| 精度等級 | JIS 0級 (JIS B 1704:1978) |
|---|---|
| 歯形 | グリーソン |
| 圧力角 | 20° |
| 材料 | モジュール3以下:SCM415 モジュール3.5以上:SCM420 |
| 熱処理 | 深炭焼入れ(穴・ボス部防炭) |
| 歯面硬度 | モージュール2以下:80~83HRA モジュール2.5以上:60~63HRC |
| 表面処理 | 黒染 |

