スルーホール固定
-
スルーホール固定
-
スルーホール偏心
-
ブラインドホール固定
-
ブラインドホール偏心
■リングレールギヤシステム
・5種類のさまざまなリング径からなる製品を、12 種類のベアリングによって自由で高精度の取付けが可能です。
・摩擦の少ない構造
・簡単で効率的な潤滑方法
・リングレールとベアリングの遊びが少ない
・あらゆる角度の平面で使用可能
・取付け及び取付け誤差の調整が容易
・リングレールの駆動装置場所を自由に設定
・他のコンポーネントを収納できる大きく開いた中央部
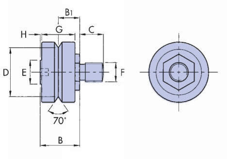
■ベアリング(スルーホールタイプ)
・スルーホールタイプのベアリングは、ほとんどの用途に適合するロングとショートタイプの固定ボルトがあります。
・基準位置に配置する固定型と、システム調整が簡単に行える偏心型を用意してあります。
■ベアリング(スルーホールタイプ・固定)
・研磨されたツーピース精密ベアリング
・システム調整時の遊びなし
・高剛性
・固定用ボルトはサイズに 2 種類の長さを用意
・システムの基準側に使用
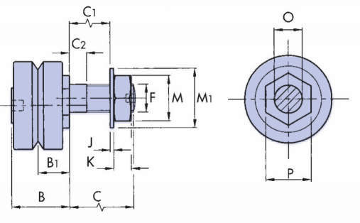
■ベアリング(スルーホール・偏心)
・中央の六角ナットまたは上下のソケットを使って簡単に与圧調整が可能
・偏心量が十分にあり、分解せずにリングの取り外しが可能
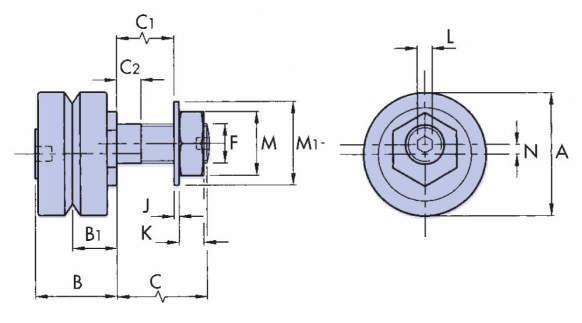
■ベアリング(ブラインドホールタイプ)
・ブラインドホールタイプのベアリングは、ベアリングの背面から固定できないときに使用するもので、基準位置に配置する固定型と、システム調整が簡単に行える偏心型を用意してあります。
■ベアリング(ブラインドホールたいぷ・固定)
・反対側からのボルト締めができない箇所では、ボルトで取付面に直接固定
■ベアリング(ブラインドホール・偏心)
・反対側からのボルト締めができない箇所では、2 本のボルトで取付面に直接固定

