H6
-
H6
-
H8
-
H0
-
組合せ例
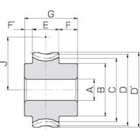
■ウォームホイール AG
・アルミニウム青銅製のウォームホイールで、追加工性と耐摩耗性のバランスが良い製品です。
・KWG と組み合わせて使用します。
共通仕様
| 精度等級 | KHK W 002 2級 |
|---|---|
| 歯車基準断面 | 軸直角 |
| 歯形 | 並歯 |
| 歯直角圧力角 | 20° |
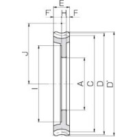
| 材料 | CAC702(旧 JIS表示AlBC2)/形状H8・H9のボス部:FC200 |
| 熱処理 | - |
| 歯面硬度 | - |

