AGF [Eシリーズ]
-
AGF [Eシリーズ]
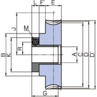
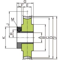
■ウォームホイール AGF
・アルミニウム青銅製のウォームホイールで、追加工性と耐摩耗性のバランスが良い製品です。
・KWGと組み合わせて使用します。
■歯車締結の悩みを解決!
・歯車と軸との取付時間の削減したい。(組立時間5分程度KHK調べ)取外しの際も同様の作業時間が掛かります。
・歯車と軸の組付け振れを小さくしたい。
・歯車と軸とのバックラッシを小さくしたい。
・フレッティング摩耗(軸ヤセや焼付き)による軸強度の低下を低減したい。
・位相合わせ、位置決めの簡素化をしたい。
■ETP-EPlusの動作原理
・チャンバー内に封入されている圧力媒体は、プレッシャースクリューの締め込みにより加圧されてスリーブ内に移行します。
・この圧力媒体の加圧で、スリーブは内部から圧力を受け、軸側スリーブは収縮し、ハブ側スリーブは拡張し、軸とハブはスリーブを介して締結されます。
共通仕様
| 精度等級 | KHK W 002 2級相当品 |
|---|---|
| 歯車基準断面 | 軸直角 |
| 歯形 | 並歯 |
| 歯直角圧力角 | 20° |
| 材料 | CAC702(旧 JIS表示AlBC2)/形状H8・H9のボス部:FC200 |
| 熱処理 | - |
| 歯面硬度 | - |

