モノづくりの困ったを解決する総合サイト

Produced by

小原歯車工業

ウォームギヤ|複リードウォームホイール AGDL

H1

  • H1

  • HB

  • 組合せ例

■複リードウォームホイール AGDL
・アルミニウム青銅製の複リードウォームホイールで、精度が優れ追加工性と耐摩耗性のバランスが良い製品です。
・KWGDL または KWGDLS と組み合わせて使用します。


■複リードウォームギヤ
・ウォームギヤのバックラッシを調整するには、組立距離を変える方法が一般的であり、一度組立した組立距離を変えるには、歯車箱などの大掛かりな修正作業が必要でした。
・しかし、複リードウォームギヤを使用すれば、歯車箱の組立距離を変えないでバックラッシの調整が可能になり、作業性やメンテナンスが大変便利になりす。
・複リードウォームギヤは特殊な製品ですので採用する際は、機能及び仕組みを理解した上でご使用ください。

#ウォームギヤ

共通仕様

精度等級 KHK W 002 1級
歯車基準断面 軸直角
歯形 並歯
歯直角圧力角 17.3°
材料 CAC702(旧 JIS表示AlBC2)
熱処理 -
歯面硬度 -

詳細仕様

  • 25件中 1-10件

  • 表示件数

25件の型式

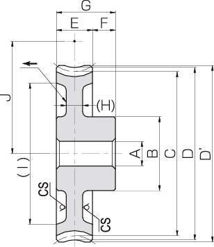
型式 減速比 呼称軸直角
モジュール
m
歯数 ねじれ
ねじれ
方向
形状 穴径
AH7
(mm)
ボス径
B
(mm)
基準円直径
C
(mm)
のど径
D
(mm)
歯先円直径
D'
(mm)
歯幅
E
(mm)
ボス長さ
F
(mm)
全長
G
(mm)
ウェブ厚
H
(mm)
リム径
I
(mm)
組立距離
J
(mm)
歯面強さ許容トルク(N・m) バックラッシ
(mm)
質量
(kg)
30rpm時 100rpm時 300rpm時 600rpm時 900rpm時 1200rpm時 1800rpm時
AGDL1.5-20R1 20 1.5 20 3°26´ R H1 8 22 30 33 34.5 14 10 24 - - 27.5 9.84 8.18 6.40 5.30 4.68 4.25 3.68 0±0.045 0.10
AGDL1.5-30R1 30 1.5 30 3°26´ R H1 10 30 45 48 49.5 14 10 24 - - 35 20.8 17.5 13.9 11.7 10.4 9.40 8.28 0±0.045 0.22
AGDL1.5-40R1 40 1.5 40 3°26´ R H1 12 35 60 63 64.5 14 10 24 - - 42.5 35.6 30.0 242 20.6 18.3 16.6 14.6 0±0.045 0.37
AGDL1.5-50R1 50 1.5 50 3°26´ R H1 12 45 75 78 79.5 14 10 24 - - 50 53.8 45.4 36.9 31.6 28.3 25.8 22.6 0±0.045 0.59
AGDL1.5-60R1 60 1.5 60 3°26´ R H1 12 50 90 93 94.5 14 10 24 - - 57.5 75.3 63.8 51.9 44.7 40.4 36.7 32.4 0±0.045 0.83
AGDL2-20R1 20 2 20 3°41´ R H1 12 33 40 44 46 18 15 33 - - 35.5 21.0 17.5 13.6 11.2 9.84 8.94 7.75 0±0.045 0.26
AGDL2-30R1 30 2 30 3°41´ R H1 15 40 60 64 66 18 15 33 - - 45.5 44.3 37.3 29.6 24.8 21.9 19.8 17.4 0±0.045 0.51
AGDL2-40R1 40 2 40 3°41´ R H1 15 45 80 84 86 18 15 33 - - 55.5 75.8 64.0 51.4 43.6 38.5 34.9 30.7 0±0.045 0.86
AGDL2-50R1 50 2 50 3°41´ R H1 15 50 100 104 106 18 15 33 - - 65.5 115 96.8 78.4 66.9 59.5 54.2 47.6 0±0.045 1.30
AGDL2-60R1 60 2 60 3°41´ R H1 15 60 120 124 126 18 15 33 - - 75.5 160 136 110 94.6 84.9 77.2 68.1 0±0.045 1.88

型式 商品コード 単位 価格
(円)
基準納期
日伝 メーカー
AGDL1.5-20R1 AGDL1.5-20R1 P 3,940 - 在庫品
AGDL1.5-30R1 AGDL1.5-30R1 P 6,510 - 在庫品
AGDL1.5-40R1 AGDL1.5-40R1 P 9,020 - 在庫品
AGDL1.5-50R1 AGDL1.5-50R1 P 15,150 - 在庫品
AGDL1.5-60R1 AGDL1.5-60R1 P 18,630 - 在庫品
AGDL2-20R1 AGDL2-20R1 P 8,650 - 在庫品
AGDL2-30R1 AGDL2-30R1 P 13,850 - 在庫品
AGDL2-40R1 AGDL2-40R1 P 20,660 - 在庫品
AGDL2-50R1 AGDL2-50R1 P 30,120 - 在庫品
AGDL2-60R1 AGDL2-60R1 P 40,600 - 在庫品

関連製品

この製品を見た人はこのような製品も見ています

1952年設立で、動力伝導機器・産業機器・制御機器等の機械設備及び機械器具関連製品の販売をしている専門総合商社です。
日本国内で40以上の拠点を持ち、信頼性の高い製品と技術力で、全国のものづくりに携わる方々のあらゆるお困りごとを解決しています。

Loading...