モノづくりの困ったを解決する総合サイト

Produced by

小原歯車工業

ウォームギヤ|複リードウォームホイール AGDL [Eシリーズ]

GDL [Eシリーズ]

  • GDL [Eシリーズ]

■複リードウォームホイール AGDL
・アルミニウム青銅製の複リードウォームホイールで、精度が優れ追加工性と耐摩耗性のバランスが良い製品です。
・KWGDL または KWGDLS と組み合わせて使用します。

■複リードウォームギヤ
・ウォームギヤのバックラッシを調整するには、組立距離を変える方法が一般的であり、一度組立した組立距離を変えるには、歯車箱などの大掛かりな修正作業が必要でした。
・しかし、複リードウォームギヤを使用すれば、歯車箱の組立距離を変えないでバックラッシの調整が可能になり、作業性やメンテナンスが大変便利になりす。
・複リードウォームギヤは特殊な製品ですので採用する際は、機能及び仕組みを理解した上でご使用ください。

■歯車締結の悩みを解決!
・歯車と軸との取付時間の削減したい。(組立時間5分程度KHK調べ)取外しの際も同様の作業時間が掛かります。
・歯車と軸の組付け振れを小さくしたい。
・歯車と軸とのバックラッシを小さくしたい。
・フレッティング摩耗(軸ヤセや焼付き)による軸強度の低下を低減したい。
・位相合わせ、位置決めの簡素化をしたい。

■ETP-EPlusの動作原理
・チャンバー内に封入されている圧力媒体は、プレッシャースクリューの締め込みにより加圧されてスリーブ内に移行します。
・この圧力媒体の加圧で、スリーブは内部から圧力を受け、軸側スリーブは収縮し、ハブ側スリーブは拡張し、軸とハブはスリーブを介して締結されます。

#ウォームギヤ

共通仕様

精度等級 KHK W 002 1級相当品
歯車基準断面 軸直角
歯形 並歯
歯直角圧力角 17.3°
材料 CAC702(旧 JIS表示AlBC2)
熱処理 -
歯面硬度 -

CADメーカーTOP

詳細仕様

  • 133件中 1-10件

  • 表示件数

133件の型式

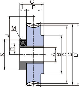
型式 減速比 呼称軸直角
モジュール
m
歯数 ねじれ角 ねじれ
方向
形状 穴径
A
(mm)
ボス径
B
(mm)
基準円直径
C
(mm)
のど径
D
(mm)
歯先円直径
D'
(mm)
歯幅
E
(mm)
組立距離
J
(mm)
ETP部(mm) 歯面強さ許容トルク(N・m) ねじM
締め付けトルク
(N・m)
ETP
許容締結トルク
(N・m)
ETP
許容スラスト力
(N)
ETP
許容ラジアル荷重
(N)
バックラッシ
(mm)
K G R L ねじM 30rpm時 100rpm時 300rpm時 600rpm時 900rpm時 1200rpm時 1800rpm時
AGDL1.5-40R1E15 40 1.5 40 3°26´ R H'EA 15 35 60 63 64.5 14 42.5 50 37 15.1 14 1-M10 35.6 30.0 24.2 20.6 18.3 16.6 14.6 7 46 5100 500 0±0.045
AGDL1.5-50R1E15 50 1.5 50 3°26´ R H'EA 15 45 75 78 79.5 14 50 50 37 15.1 14 1-M10 53.8 45.4 36.9 31.6 28.3 25.8 22.6 7 46 5100 500 0±0.045
AGDL1.5-60R1E15 60 1.5 60 3°26´ R H'EA 15 50 90 93 94.5 14 57.5 50 37 15.1 14 1-M10 75.3 63.8 51.9 44.7 40.4 36.7 32.4 7 46 5100 500 0±0.045
AGDL2-30R1E15 30 2 30 3°41´ R H'EA 15 40 60 64 66 18 45.5 50 37 15.1 14 1-M10 44.3 37.3 29.6 24.8 21.9 19.8 17.4 7 46 5100 500 0±0.045
AGDL2-30R1E19 30 2 30 3°41´ R H'EA 19 40 60 64 66 18 45.5 55 39 17.4 14 1-M10 44.3 37.3 29.6 24.8 21.9 19.8 17.4 7 85 7300 1000 0±0.045
AGDL2-40R1E15 40 2 40 3°41´ R H'EA 15 45 80 84 86 18 55.5 50 37 15.1 14 1-M10 75.8 64.0 51.4 43.6 38.5 34.9 30.7 7 46 5100 500 0±0.045
AGDL2-40R1E19 40 2 40 3°41´ R H'EA 19 45 80 84 86 18 55.5 55 39 17.4 14 1-M10 75.8 64.0 51.4 43.6 38.5 34.9 30.7 7 85 7300 1000 0±0.045
AGDL2-40R1E20 40 2 40 3°41´ R H'EA 20 45 80 84 86 18 55.5 56 41 18 14 1-M10 75.8 64.0 51.4 43.6 38.5 34.9 30.7 7 110 9100 1000 0±0.045
AGDL2-50R1E15 50 2 50 3°41´ R H'EA 15 50 100 104 106 18 65.5 50 37 15.1 14 1-M10 115 96.8 78.4 66.9 59.5 54.2 47.6 7 46 5100 500 0±0.045
AGDL2-50R1E19 50 2 50 3°41´ R H'EA 19 50 100 104 106 18 65.5 55 39 17.4 14 1-M10 115 96.8 78.4 66.9 59.5 54.2 47.6 7 85 7300 1000 0±0.045

型式 商品コード 単位 価格
(円)
基準納期
日伝 メーカー
AGDL1.5-40R1E15 AGDL1.5-40R1E15 P 27,500 - 5日間
AGDL1.5-50R1E15 AGDL1.5-50R1E15 P 33,630 - 5日間
AGDL1.5-60R1E15 AGDL1.5-60R1E15 P 37,110 - 5日間
AGDL2-30R1E15 AGDL2-30R1E15 P 32,800 - 5日間
AGDL2-30R1E19 AGDL2-30R1E19 P 33,190 - 5日間
AGDL2-40R1E15 AGDL2-40R1E15 P 39,610 - 5日間
AGDL2-40R1E19 AGDL2-40R1E19 P 40,000 - 5日間
AGDL2-40R1E20 AGDL2-40R1E20 P 40,070 - 5日間
AGDL2-50R1E15 AGDL2-50R1E15 P 49,070 - 5日間
AGDL2-50R1E19 AGDL2-50R1E19 P 49,460 - 5日間

関連製品

この製品を見た人はこのような製品も見ています

1952年設立で、動力伝導機器・産業機器・制御機器等の機械設備及び機械器具関連製品の販売をしている専門総合商社です。
日本国内で40以上の拠点を持ち、信頼性の高い製品と技術力で、全国のものづくりに携わる方々のあらゆるお困りごとを解決しています。

Loading...