モノづくりの困ったを解決する総合サイト

Produced by

小原歯車工業

ウォームギヤ|ウォームホイール CG [Jシリーズ]

■ウォームホイール CG
・鋳鉄製のウォームホイールで、低価格で軽荷重での使用に向いています。
・SW、SUWと組み合わせて使用します。

■Jシリーズ
・Jシリーズとは、標準歯車の下穴品をベースに穴径、キー溝、取付穴の寸法をKHK独自の規格でシリーズ化した製品です。
・最新の機械設備をジャスト・イン・タイム生産ラインにより生産効率と品質を追求。
・メーカーが行う追加工で信頼性の高い製品を提供します。

#ウォームギヤ

共通仕様

精度等級 KHK W 002 4級相当品
歯車基準断面 歯直角
歯形 並歯
歯直角圧力角 20°
材料 FC200
熱処理 -
歯面硬度 -

詳細仕様

  • 332件中 1-10件

  • 表示件数

332件の型式

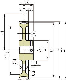
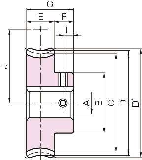
型式 減速比 歯直角
モジュール
m
歯数 相手
条数
ねじれ
ねじれ
方向
形状 穴径
AH7
(mm)
ボス径
B
(mm)
基準円直径
C
(mm)
のど径
D
(mm)
歯先円直径
D'
(mm)
歯幅
E
(mm)
ボス長さ
F
(mm)
全長
G
(mm)
ウェブ厚
H
(mm)
リム径
I
(mm)
組立距離
J
(mm)
キーみぞ
(mm)
幅×深さ
ねじ穴 歯面強さ許容トルク(N・m) バックラッシ
(mm)
質量
(kg)
サイズ L(mm) 30rpm時 100rpm時 300rpm時 600rpm時 900rpm時 1200rpm時
CG1-60R1J10 60 1 60 1 3°35′ R H1K 10 30 60.12 62 63 10 10 20 6 51 38 4×1.8 M4 5 8.69 7.39 6.14 5.24 4.78 4.39 0.06~0.24 0.25
CG1-60R1J12 60 1 60 1 3°35′ R H1K 12 30 60.12 62 63 10 10 20 6 51 38 4×1.8 M4 5 8.69 7.39 6.14 5.24 4.78 4.39 0.06~0.24 0.25
CG1-60R1J14 60 1 60 1 3°35′ R H1K 14 30 60.12 62 63 10 10 20 6 51 38 5×2.3 M4 5 8.69 7.39 6.14 5.24 4.78 4.39 0.06~0.24 0.25
CG1-60R1J15 60 1 60 1 3°35′ R H1K 15 30 60.12 62 63 10 10 20 6 51 38 5×2.3 M4 5 8.69 7.39 6.14 5.24 4.78 4.39 0.06~0.24 0.25
CG1-60R1J16 60 1 60 1 3°35′ R H1K 16 30 60.12 62 63 10 10 20 6 51 38 5×2.3 M4 5 8.69 7.39 6.14 5.24 4.78 4.39 0.06~0.24 0.25
CG1-60R1J17 60 1 60 1 3°35′ R H1K 17 30 60.12 62 63 10 10 20 6 51 38 5×2.3 M4 5 8.69 7.39 6.14 5.24 4.78 4.39 0.06~0.24 0.25
CG1-80R1J10 80 1 80 1 3°35′ R H1K 10 35 80.16 82 83 10 10 20 6 70 48 4×1.8 M4 5 14.7 12.6 10.5 9.11 8.3 7.72 0.06~0.24 0.43
CG1-80R1J12 80 1 80 1 3°35′ R H1K 12 35 80.16 82 83 10 10 20 6 70 48 4×1.8 M4 5 14.7 12.6 10.5 9.11 8.3 7.72 0.06~0.24 0.43
CG1-80R1J14 80 1 80 1 3°35′ R H1K 14 35 80.16 82 83 10 10 20 6 70 48 5×2.3 M4 5 14.7 12.6 10.5 9.11 8.3 7.72 0.06~0.24 0.43
CG1-80R1J15 80 1 80 1 3°35′ R H1K 15 35 80.16 82 83 10 10 20 6 70 48 5×2.3 M4 5 14.7 12.6 10.5 9.11 8.3 7.72 0.06~0.24 0.43

型式 商品コード 単位 価格
(円)
基準納期
日伝 メーカー
CG1-60R1J10 CG1-60R1J10 P 4,390 - -
CG1-60R1J12 CG1-60R1J12 P 5,250 - -
CG1-60R1J14 CG1-60R1J14 P 5,250 - -
CG1-60R1J15 CG1-60R1J15 P 5,250 - -
CG1-60R1J16 CG1-60R1J16 P 5,250 - -
CG1-60R1J17 CG1-60R1J17 P 5,250 - -
CG1-80R1J10 CG1-80R1J10 P 5,130 - -
CG1-80R1J12 CG1-80R1J12 P 5,990 - -
CG1-80R1J14 CG1-80R1J14 P 5,990 - -
CG1-80R1J15 CG1-80R1J15 P 5,990 - -

関連製品

この製品を見た人はこのような製品も見ています

1952年設立で、動力伝導機器・産業機器・制御機器等の機械設備及び機械器具関連製品の販売をしている専門総合商社です。
日本国内で40以上の拠点を持ち、信頼性の高い製品と技術力で、全国のものづくりに携わる方々のあらゆるお困りごとを解決しています。

Loading...