PG [Jシリーズ]
-
PG [Jシリーズ]
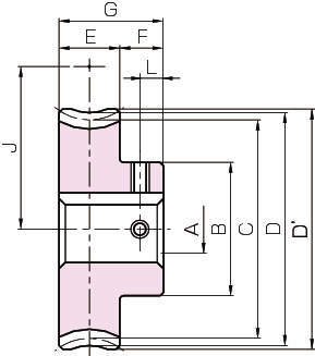
■ウォームホイール PG
・MCナイロン製のウォームホイールです。
・無潤滑でも使用できます。
・SW、SUW と組み合わせて使用します。
■Jシリーズ
・Jシリーズとは、標準歯車の下穴品をベースに穴径、キー溝、取付穴の寸法をKHK独自の規格でシリーズ化した製品です。
・最新の機械設備をジャスト・イン・タイム生産ラインにより生産効率と品質を追求。
・メーカーが行う追加工で信頼性の高い製品を提供します。
共通仕様
| 精度等級 | KHK W 002 5級相当品 |
|---|---|
| 歯車基準断面 | 歯直角 |
| 歯形 | 並歯 |
| 歯直角圧力角 | 20° |
| 材料 | MC901 |
| 熱処理 | - |
| 歯面硬度 | - |

