MB型
-
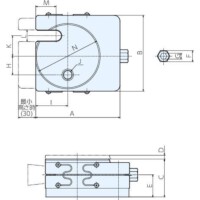
MB型
防振機能を備えた『レベリングブロック』です!
■機械−基礎(アンカーボルト)、機械−レベリングブロックの固定が可能です。
■U溝付きで、機械−基礎(アンカーボルト)固定時の据付が容易です。
■レベル調整後の沈み込みが少ないです。
■スイベルパッド付きをご選択いただくと機械と基礎の間の傾斜を補正する用途にご利用いただけます。
■アウトガスを抑えた塗料と発塵量が少ないグリースを使用したクリーン仕様がございます。

