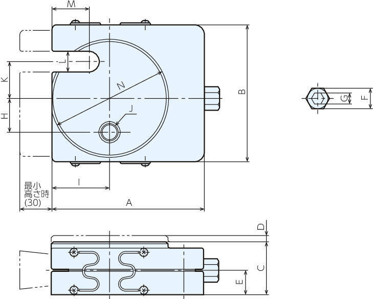
レベリングブロック M型
-
レベリングブロック M型
コンパクトサイズで大きなストーク!
■アンカーボルトによる設備固定ができます。
■一体構造品のため施工段取り時の作業性が向上します。
■低床構造のため設備高さを抑えることができます。
■基礎高さのバラツキを吸収しやすい揚程量があります。
■クリーン仕様(M50C M75C)はアウトガス発生量をおさえた化学汚染物質低減塗料、低発塵グリースを使用しています。

