レベリングブロック M型 スイベルパッド付
精密なレベル調整機構を備えています。
■大きな調整ストロークを備えています。
■スイベルパッドは、機械と基礎の間の最大3°までの傾斜を補正する際にご使用いただけます。
■クリーン仕様はアウトガス発生量をおさえた塗料と、発塵量が少ないグリースを使用しています。
ナベヤ
レベリングブロック M型 スイベルパッド付
■大きな調整ストロークを備えています。
■スイベルパッドは、機械と基礎の間の最大3°までの傾斜を補正する際にご使用いただけます。
■クリーン仕様はアウトガス発生量をおさえた塗料と、発塵量が少ないグリースを使用しています。
4件の型式
| 型式 | 材質本体 | 塗装 | グリース |
許容荷重 (kN) |
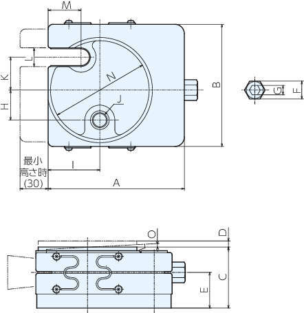
A | B | C | D | E | F | G | H | I |
J (並目) |
K | L | M | N | 高さ |
ストローク (揚程) |
一回あたりの レベル調整量 |
質量 (kg) |
|
|---|---|---|---|---|---|---|---|---|---|---|---|---|---|---|---|---|---|---|---|---|---|---|---|
| 最低 | 最高 | ||||||||||||||||||||||
| M50S | FCD450 | 化学汚染物質低減塗料 | 低発塵グリース | 50 | 145 | 130 | 47 | 12 | 20 | 19 | 10 | 32 | 55 | M16×2 | 35 | 20 | 35 | 112 | 47 | 59 | 12 | 0.37 | 5.0 |
| M50SC | FCD450 | 化学汚染物質低減塗料 | 低発塵グリース | 75 | 160 | 140 | 53 | 12 | 23 | 24 | 14 | 32 | 60 | M16×2 | 35 | 20 | 40 | 112 | 53 | 65 | 12 | 0.43 | 6.7 |
| M75S | FCD450 | 化学汚染物質低減塗料 | 低発塵グリース | 50 | 145 | 130 | 47 | 12 | 20 | 19 | 10 | 32 | 55 | M16×2 | 35 | 20 | 35 | 112 | 47 | 59 | 12 | 0.37 | 5.0 |
| M75SC | FCD450 | 化学汚染物質低減塗料 | 低発塵グリース | 75 | 160 | 140 | 53 | 12 | 23 | 24 | 14 | 32 | 60 | M16×2 | 35 | 20 | 40 | 112 | 53 | 65 | 12 | 0.43 | 6.7 |
| 型式 | 商品コード | 単位 |
価格 (円) |
基準納期 | |
|---|---|---|---|---|---|
| 日伝 | メーカー | ||||
| M50S | M50S | P | 29,200 | - | - |
| M50SC | M50SC | P | 31,900 | - | - |
| M75S | M75S | P | 33,100 | - | - |
| M75SC | M75SC | P | 35,600 | - | - |
製品についてのご質問やお困りごとなどお気軽にご相談ください!