RA
-
RA
■構造が簡単で安価
・構造が簡単であり、取付けも容易です。
■取付けスペースがさらに小さくてすむ
・片側がナット埋込みになっていますので、取付けボルトのスペースを小さくできます。
■いろいろな支持方法が可能
・取付け方向によって、圧縮方向、せん断方向のほか傾斜方向にも使用でき、広い応用性をもっています。
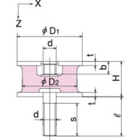
共通仕様
| ゴム材質 | RA-8・10:天然ゴム配合 硬さ:450 RA-12以上:天然ゴム配合 硬さ:60 |
|---|---|
| 付属品 | 六角ナット、スプリングワッシャー 各1個 |
2D CADファイル
- KRK_ra10.dxf
- KRK_ra100-70.dxf
- KRK_ra100.dxf
- KRK_ra12.dxf
- KRK_ra120.dxf
- KRK_ra15.dxf
- KRK_ra150.dxf
- KRK_ra20-20.dxf
- KRK_ra20.dxf
- KRK_ra25-27.dxf
- KRK_ra25.dxf
- KRK_ra30-26.dxf
- KRK_ra30.dxf
- KRK_ra35-35.dxf
- KRK_ra35.dxf
- KRK_ra40-33.dxf
- KRK_ra40.dxf
- KRK_ra45-45.dxf
- KRK_ra45.dxf
- KRK_ra50-40.dxf
- KRK_ra50.dxf
- KRK_ra55-54.dxf
- KRK_ra55.dxf
- KRK_ra60-34.dxf
- KRK_ra60-58.dxf
- KRK_ra60.dxf
- KRK_ra65-50.dxf
- KRK_ra65.dxf
- KRK_ra75-63.dxf
- KRK_ra75.dxf
- KRK_ra8.dxf
- KRK_ra80-55.dxf
- KRK_ra80.dxf
- KRK_ra90-76.dxf
- KRK_ra90.dxf

