KE
-
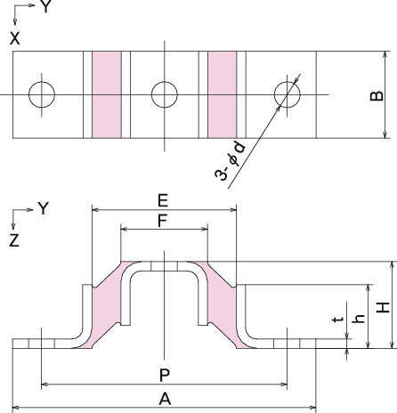
KE
■さらに小さいばね定数
・丸形、山形防振ゴムよりさらに小さいばね定数が得られるので、低周波の加振力に対しても優れた防振効果が得られます。
■低回転の防振に適する
■長手方向に高い剛性
・長手方向の剛性が大きいので、その方向に大きな荷重が働く機器の防振にも比較的安定が得られます。
■狭い場所に取付けが容易
・横幅がせまく、支持高さが低いので、狭い場所でも取付けられます。
共通仕様
| ゴム材質 | 天然ゴム配合 |
|---|

