RE
-
RE
-
RE
■移動する機械に最適
・建設機械等、上下、水平方向に大きな衝撃荷重のかかる機器の防振に適しています。
■構造が簡単
・構造が簡単で取付けが容易です。
■良好な防振性能
・すべての方向に優れた防振効果を発揮します。エンジン等の使用では、通常運転時に特に大きな効果を発揮します。
■大荷重を支持
・マウントは予備圧縮をかけて取付けますので比較的大きいばね定数が得られ、小形にもかかわらず大きな荷重を支持することが可能です。
■良好な耐久性
・マウントは締付けて使用しますので、大きい衝撃荷重がかかる場合でも、十分な耐久寿命があります。
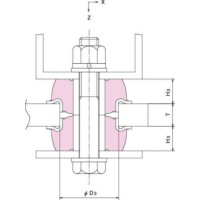
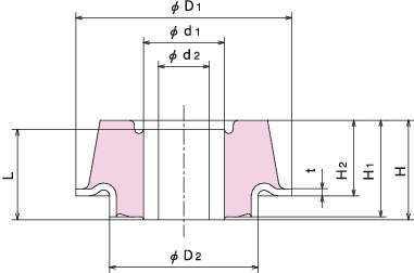
■マウントは2個1組で使用します。
・特性は、2個1組での値です。
■使用上の注意
・ブラケットの板厚Tの鋼材はお客様の方でご用意ください。
・支持点荷重のアンバランスが大きい場合は、マウントの使い分けが必要となります。
・マウントの支持は本体側になっても振動体側になってもどちらでもお使いいただけます。
・マウントを組付け、ボルトを締めて固定します。締付けは、マウント内筒金具同士が当たるまで行い、運転中に、緩
まないようにします。
・ゴム部に対しては、油類の付着および日光の暴露は避けてください。
共通仕様
| ゴム材質 | 天然ゴム配合 基準硬さ:45 |
|---|---|
| 使用可能雰囲気温度 | -30℃~50℃ |

