KLB
-
KLB
■軽量機械の防振に最適
・ばね定数が小さく、従来困難であった軽量機械の防振対策もできます。
■低い固有振動数を実現
・固有振動数を低く設定できるので、低速回転機械の防振も可能です。
■精密機械に最適
・精密機械に対する振動障害を少なくし、測定精度を向上させることも可能です。
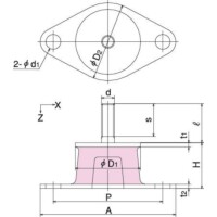
■取付けが簡単
・機械への取付けが簡単にできます。
共通仕様
| ゴム材質 | 天然ゴム配合 |
|---|---|
| 付属品 | 六角ナット、スプリングワッシャー 各1個 |

