KN
-
KN
新開発ゴムで従来品に比べ、床を汚しにくくなりました
■良好な防振、防音効果
・同一形状の丸形防振ゴムに比べてばね定数が小さいので、よりよい防振防音効果が得られます。
■設置安定性が良い
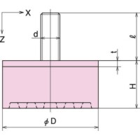
・床との接触面は、独特のパターンをもち、設置安定性の良い構造になっています。
■置いたままで使用
・アンカーボルトは必要なく置いたままで使用できるので、レイアウトの変更が容易に行えます。
共通仕様
| ゴム材質 | クロロプレンゴム配合 硬さ:45 |
|---|---|
| 付属品 | 六角ナット、スプリングワッシャー 各1個 |

