KB
-
KB
■高さが一定なので、支持荷重が異なっても設計・施工が容易です。
■ボルト径が一定(KHB-100は除く)、かつ全ねじなので取付けの自由度が高まります。
■ばね定数の静動比が低く、高い防振性能を有します。
■形状が単純、構造がシンプルで、取付けが容易、かつ経済的です。
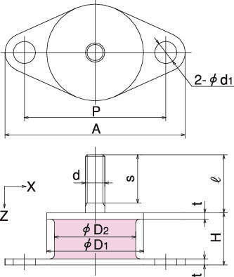
共通仕様
| ゴム材質 | KB-20~75:天然ゴム配合 硬さ:60 KB-80・100:天然ゴム配合 硬さ:62 KB-90・120・150:天然ゴム配合 硬さ:60 |
|---|---|
| 付属品 | 六角ナット、スプリングワッシャー 各1個 |
2D CADファイル
- KRK_kb20.dxf
- KRK_kb20-20.dxf
- KRK_kb25.dxf
- KRK_kb25-27.dxf
- KRK_kb25-30h.dxf
- KRK_kb30.dxf
- KRK_kb30-26.dxf
- KRK_kb35.dxf
- KRK_kb35-35.dxf
- KRK_kb40.dxf
- KRK_kb40-33.dxf
- KRK_kb40-40h.dxf
- KRK_kb45.dxf
- KRK_kb45-45.dxf
- KRK_kb50.dxf
- KRK_kb50-40.dxf
- KRK_kb55.dxf
- KRK_kb55-54.dxf
- KRK_kb60.dxf
- KRK_kb60-34.dxf
- KRK_kb60-58.dxf
- KRK_kb65.dxf
- KRK_kb65-50.dxf
- KRK_kb75.dxf
- KRK_kb75-63.dxf
- KRK_kb80.dxf
- KRK_kb80-55.dxf
- KRK_kb90.dxf
- KRK_kb90-76.dxf
- KRK_kb100.dxf
- KRK_kb100-70.dxf
- KRK_kb120.dxf
- KRK_kb150.dxf

