KA-CR
-
KA-CR
■構造が簡単で安価
・構造が簡単であり、取付けも容易です。
■取付けスペースが小さくてすむ
・小形で比較的大きいばね定数が得られるので大きい荷重の支持が可能です。
■いろいろな支持方法が可能
・取付け方向によって、圧縮方向、せん断方向のほか、傾斜方向にも使用でき、広い応用性を持っています。
■材質がクロロプレンゴム
・ 耐候性と軽度の耐油性に優れます。
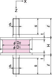
共通仕様
| ゴム材質 | クロロプレンゴム配合 硬さ:60 |
|---|---|
| 付属品 | 六角ナット、スプリングワッシャー 各2個 |

