SB-50
-
SB-50
-
SB-60
-
SB-80
-
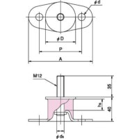
断面図
■耐震ストッパーが不要
・部品点数、取付け工数の削減によりコストダウンが可能です。
■シンプルでコンパクト
・ 取付けスペースが縮小できます。
■設計用水平震度約1.5
・耐震クラスAを満足します(建築設備耐震設計・施工指針)
※耐震強度は機器の重心位置・取付ピッチによって変わります。必ず御確認ください。
共通仕様
| ゴム材質 | 天然ゴム配合 |
|---|---|
| 付属品 | 六角ナット、スプリングワッシャー 各1個 |

