KRB
-
KRB
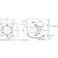
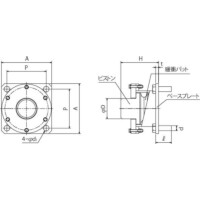
■ハイバッファーKRBは円筒状ケーシング内に緩衝パッドを積層して収めた構造をしており、ピストンでゴムを押さえて衝撃エネルギーを吸収します。
■ゴムの特性から、設計値以上の荷重が加わっても、緩衝パッドは剛体化することはありません。また、ケーシングに保護されているため、長期劣化もほとんどありません。
■メンテナンスフリーの緩衝器として、クレーンや搬送ラインなど、広い分野で使われています。
2D CADファイル
- KRK_KRB-100A-2.dxf
- KRK_KRB-100A-3.dxf
- KRK_KRB-100A-4.dxf
- KRK_KRB-100A-5.dxf
- KRK_KRB-125A-3.dxf
- KRK_KRB-125A-4.dxf
- KRK_KRB-125A-5.dxf
- KRK_KRB-125A-6.dxf
- KRK_KRB-125A-7.dxf
- KRK_KRB-150A-3.dxf
- KRK_KRB-150A-4.dxf
- KRK_KRB-150A-5.dxf
- KRK_KRB-150A-6.dxf
- KRK_KRB-150A-7.dxf
- KRK_KRB-200A-3.dxf
- KRK_KRB-200A-4.dxf
- KRK_KRB-200A-5.dxf
- KRK_KRB-200A-6.dxf
- KRK_KRB-200A-7.dxf
- KRK_KRB-200A-8.dxf
- KRK_KRB-200A-9.dxf
- KRK_KRB-200A-10.dxf
- KRK_KRB-250A-4.dxf
- KRK_KRB-250A-5.dxf
- KRK_KRB-250A-6.dxf
- KRK_KRB-250A-7.dxf
- KRK_KRB-250A-8.dxf
- KRK_KRB-250A-9.dxf
- KRK_KRB-250A-10.dxf
- KRK_KRB-300A-4.dxf
- KRK_KRB-300A-5.dxf
- KRK_KRB-300A-6.dxf
- KRK_KRB-300A-7.dxf
- KRK_KRB-300A-8.dxf
- KRK_KRB-300A-9.dxf
- KRK_KRB-300A-10.dxf
- KRK_KRB-300A-12.dxf
- KRK_KRB-300A-14.dxf
- KRK_KRB-300A-16.dxf
- KRK_KRB-300A-18.dxf

