2本ボルト(2B形)
-
2本ボルト(2B形)
-
1本ボルト(B形)
■建築部材に適する
・スタジオ、無響室、配管支持、建築部材としての防振用途に適しています。
■大荷重用として広い用途を持つ
・一個当たりの指示荷重が最大2.5kNと、大荷重用として使用でき、用途が広がります。
■高周波の振動防止に適する
・ばね定数が大きいため、大型機械にも使用可能で、高周波振動の伝達防止に適当です。
■取付け方向により広い応用性
・せん断方向、傾斜方向にも使用でき、低周波振動についても有効に利用できます。
・二段で使用すれば固有振動数は一段の1/√2に低く設定できます。
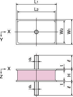
・貫通穴タイプを使用すればスペースがない箇所にも後設置ができる等、取付け方法が検討できます。
■耐震対策が不要
・貫通穴タイプは中央の穴を通してボルトに容易に取付けられ、耐震対策として使用できます。
共通仕様
| ゴム材質 | 天然ゴム配合 |
|---|---|
| 付属品 | 2本ボルト(B2形):六角ナット、スプリングワッシャー 各4個 1本ボルト(B形):六角ナット、スプリングワッシャー 各2個 |

