■構造が簡単で安価
・構造が簡単であり、取付けも容易です。
■取付けスペースが小さくてすむ
・小形で比較的大きいばね定数が得られるので大きい荷重の支持が可能です。
■いろいろな支持方法が可能
・取付け方向によって、圧縮方向、せん断方向のほか傾斜方向にも使用でき、広い応用性をもっています。
■静動比が低く防振の効果に優れる(ゴム硬度60品との比較)
共通仕様
| ゴム材質 | 天然ゴム配合 硬さ:45 |
|---|---|
| 付属品 | 六角ナット、スプリングワッシャー 各1個 |
倉敷化工
■構造が簡単で安価
・構造が簡単であり、取付けも容易です。
■取付けスペースが小さくてすむ
・小形で比較的大きいばね定数が得られるので大きい荷重の支持が可能です。
■いろいろな支持方法が可能
・取付け方向によって、圧縮方向、せん断方向のほか傾斜方向にも使用でき、広い応用性をもっています。
■静動比が低く防振の効果に優れる(ゴム硬度60品との比較)
| ゴム材質 | 天然ゴム配合 硬さ:45 |
|---|---|
| 付属品 | 六角ナット、スプリングワッシャー 各1個 |
14件の型式
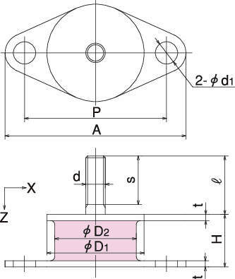
| 型式 | 標準寸法(mm) |
Z方向 支持荷重 (N) |
許容荷重(N) |
Z方向 ばね定数 Kz(N/mm) |
剛性比 Kx/Kz |
||||||||||
|---|---|---|---|---|---|---|---|---|---|---|---|---|---|---|---|
| D1 | D2 | H | t | d | l | s | A | P | d1 | Z方向 | X方向 | ||||
| KB-20(45) | 20 | 15 | 15 | 2 | M6 | 15 | 13 | 49 | 36 | 7 | 96 | 170 | 41 | 78 | 0.15 |
| KB-20-20H(45) | 20 | 15 | 20 | 2 | M6 | 15 | 13 | 49 | 36 | 7 | 59 | 110 | 29 | 47 | 0.19 |
| KB-25(45) | 25 | 20 | 18 | 2.3 | M6 | 18 | 16 | 56 | 42 | 7 | 145 | 290 | 54 | 110 | 0.16 |
| KB-25-27H(45) | 25 | 20 | 27 | 2.3 | M6 | 18 | 16 | 56 | 42 | 7 | 96 | 190 | 35 | 56 | 0.2 |
| KB-30(45) | 30 | 25 | 18 | 2.3 | M8 | 24 | 20 | 62 | 48 | 7 | 270 | 530 | 100 | 190 | 0.16 |
| KB-30-26H(45) | 30 | 25 | 26 | 2.3 | M8 | 24 | 20 | 62 | 48 | 7 | 180 | 370 | 72 | 84 | 0.19 |
| KB-35(45) | 35 | 30 | 26 | 2.3 | M8 | 24 | 20 | 69 | 53 | 9 | 290 | 590 | 150 | 140 | 0.17 |
| KB-35-35H(45) | 35 | 30 | 35 | 2.3 | M8 | 24 | 20 | 69 | 53 | 9 | 220 | 440 | 120 | 90 | 0.2 |
| KB-40(45) | 40 | 34 | 25 | 2.3 | M8 | 30 | 25 | 76 | 60 | 9 | 560 | 1090 | 220 | 200 | 0.17 |
| KB-40-33H(45) | 40 | 34 | 33 | 2.3 | M8 | 30 | 25 | 76 | 60 | 9 | 320 | 660 | 150 | 130 | 0.19 |
| 型式 | 商品コード | 単位 |
価格 (円) |
基準納期 | |
|---|---|---|---|---|---|
| 日伝 | メーカー | ||||
| KB-20(45) | KB-20-45 | P | 620 | - | 在庫品 |
| KB-20-20H(45) | KB-20-20H-45 | P | 630 | - | 在庫品 |
| KB-25(45) | KB-25-45 | P | 770 | - | 在庫品 |
| KB-25-27H(45) | KB-25-27H-45 | P | 770 | - | 在庫品 |
| KB-30(45) | KB-30-45 | P | 950 | - | 在庫品 |
| KB-30-26H(45) | KB-30-26H-45 | P | 1,000 | - | 在庫品 |
| KB-35(45) | KB-35-45 | P | 990 | - | 在庫品 |
| KB-35-35H(45) | KB-35-35H-45 | P | 1,030 | - | 在庫品 |
| KB-40(45) | KB-40-45 | P | 1,140 | - | 在庫品 |
| KB-40-33H(45) | KB-40-33H-45 | P | 1,250 | - | 在庫品 |
製品についてのご質問やお困りごとなどお気軽にご相談ください!