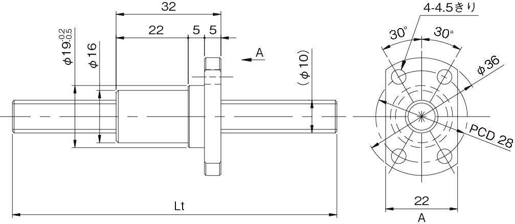
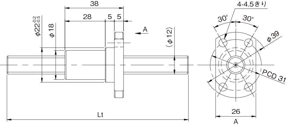
PYシリーズ
-
PYシリーズ
樹脂製のナットを採用し低価格でコンパクト。
■高精度なボールねじの製造ノウハウを活用!
・ねじ軸はボールねじと同等のリード精度にて生産され高精度な位置決めを実現します。
■耐薬品性、耐食性に優れた材質を採用!
・ねじ軸は、耐食性に優れたステンレス鋼も選択できます。
・ナット部には耐薬品性に優れた樹脂を採用しました。
■軽量で長寿命な樹脂製すべりねじを実現!
・部品を樹脂化したことにより、卓上装置に求められる“軽量”に貢献いたします。

