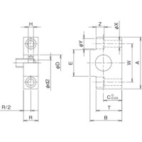
BUK 支持側ユニット
-
BUK 支持側ユニット
■コンパクトで簡単な取付け
・取付け周辺のスペースを考慮したコンパクト設計で、サポートユニット内の組合せアンギュラ玉軸受は予め適正な予圧調整がされており、そのまま取付け可能です。
■緩み止め機能内蔵
・軸受け専用の締付けナットにより、簡単で高精度な取付けが行え、緩み止め機能も内蔵しています。
■高精度
・組合せアンギュラ玉軸受は接触角30゜のDF組合せ、P5級を採用、しかも軸受内に適量のグリースが封入してあり安定した高精度が得られます。
■防塵
軸受両端にシールを内蔵しています。

