モノづくりの困ったを解決する総合サイト

Produced by

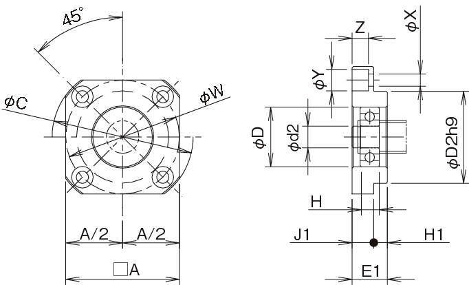
ボールねじ|小形FA機器用サポートユニット BUMシリーズ(丸形・支持側ユニット)

BUM 支持側ユニット

  • BUM 支持側ユニット

■コンパクトで簡単な取付け
・取付け周辺のスペースを考慮したコンパクト設計で、サポートユニット内の組合せアンギュラ玉軸受は予め適正な予圧調整がされており、そのまま取付け可能です。

■緩み止め機能内蔵
・軸受け専用の締付けナットにより、簡単で高精度な取付けが行え、緩み止め機能も内蔵しています。

■高精度
・組合せアンギュラ玉軸受は接触角30゜のDF組合せ、P5級を採用、しかも軸受内に適量のグリースが封入してあり安定した高精度が得られます。

■防塵
軸受両端にシールを内蔵しています。

#ボールねじ

詳細仕様

  • 5件中 1-5件

  • 表示件数

5件の型式

型式 タイプ φd2 φD H □A φC φD2 E1 J1 H1 φW X Y Z 軸用止め輪 質量
(kg)
BUM-6S 丸形・支持側ユニット 6 17 6 35 43 28 10 6 4 35 3.4 6.5 4 呼び6 0.06
BUM-8S 丸形・支持側ユニット 8 22 7 42 52 34 13 8 5 42 4.5 8 6 呼び8 0.11
BUM-10S 丸形・支持側ユニット 10 26 8 44 54 36 15 7 8 44 4.5 8 6 呼び10 0.12
BUM-15S 丸形・支持側ユニット 15 32 9 52 63 40 17 9 8 50 5.5 9.5 6 呼び15 0.17
BUM-20S 丸形・支持側ユニット 20 47 14 68 85 57 20 11 9 70 6.6 11 10 呼び20 0.38

型式 商品コード 単位 価格
(円)
基準納期
日伝 メーカー
BUM-6S BUM-6S P 10,200 - -
BUM-8S BUM-8S P 10,200 - -
BUM-10S BUM-10S P 10,200 - -
BUM-15S BUM-15S P 11,400 - -
BUM-20S BUM-20S P 12,700 - -

この製品を見た人はこのような製品も見ています

1952年設立で、動力伝導機器・産業機器・制御機器等の機械設備及び機械器具関連製品の販売をしている専門総合商社です。
日本国内で40以上の拠点を持ち、信頼性の高い製品と技術力で、全国のものづくりに携わる方々のあらゆるお困りごとを解決しています。

Loading...