KLA-A-A
-
KLA-A-A
-
KLA-A-C
-
KLA-B-A
-
KLA-B-C
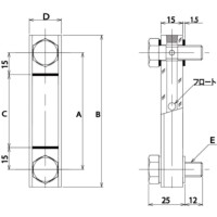
■本体に耐熱改良型メタクリル樹脂(アクリル樹脂)を用いたシンプルなオイルゲージです。
・透明のアクリル樹脂が機械の高級感を演出します。
・外観上、非常にデラックスに見えます。
■耐熱100℃
・耐熱は約100℃ですが、80~90℃までの範囲でご使用ください。
■本体の透明度は非常に良く、裏面の白色印刷とフロートの内蔵で、油面が確実に読み取れます。
■側面側からも油面が確認できます。
■フロートは黒色または赤色の2種類から選択できます。
■KLA型はごく一般的なオイルゲージで耐熱、耐薬品、耐圧用ではありません。
■カスタマイズ
・取り付けピッチを自由に決めることができます。
・指示線の位置や数などの変更は可能です。

