2極
-
2極
-
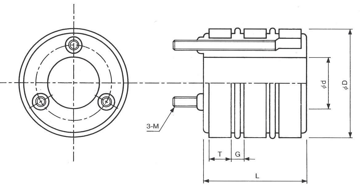
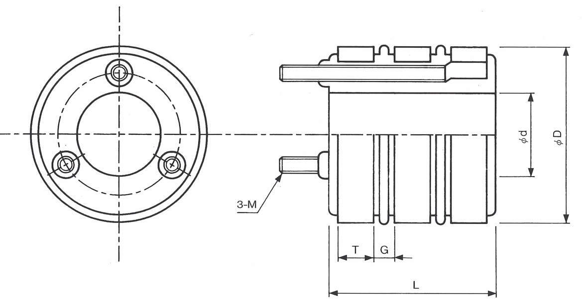
3極
-
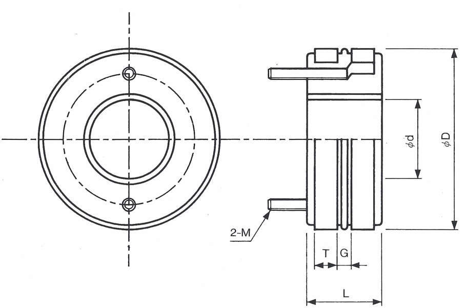
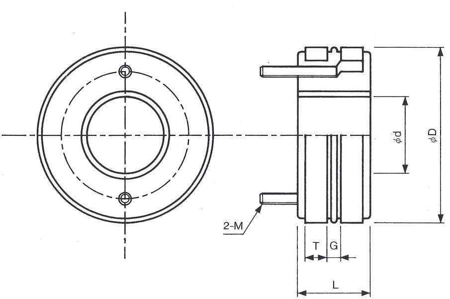
4極
・耐熱性、絶縁性にすぐれているプリミックス材を使用し(一部商品はガラスフェノール材を使用)成形しております。
・特に端子部は、一体成形することにより、ゆるみ、接触不良等のない商品として幅広いお客様にご利用いただいております。
共通仕様
| 電圧 | AC200V DC100V |
|---|---|
| 絶縁抵抗 | 50MΩ(500V)以上 |
| 絶縁耐力 | 2500V 1min |
| 回転方向 | cw-ccw |
| 許容回転数 | 2000rpm |

